柴油发电机和 UPS 是数据中心供电系统中的两大核心设备,当市电停电时,柴油发电机-UPS 系统将为数据中心的基础设施供电,二者的兼容性直接影响着整个数据中心供电系统的可用性。然而,当前国内外数据中心供电系统中,UPS 和柴油发电机之间却存在一些不兼容的问题。

UPS 容性特性是导致数据中心柴油发电机-UPS 系统出现故障的重要原因。本文通过研究 UPS 的容性特性和柴油发电机稳态带载能力,给出了 UPS容性特性导致柴油发电机带载失败的原因,并提出了考虑 UPS 容性特性时的柴油发电机-UPS 容量配比依据。
谐波畸变是影响数据中心柴油发电机-UPS 系统兼容性的重要因素。通过分析谐波畸变对整个柴油发电机-UPS 系统的影响机理,本文推导得出了计算柴油发电机-UPS 系统中总谐波电压畸变的相关公式,以及考虑谐波畸变因素时,柴油发电机与 UPS 之间的容量配比关系。从而为解决由谐波畸变导致的系统不兼容问题提供了方法。
低频振荡也是影响柴油发电机-UPS 系统兼容性的关键因素。在某些情况下,当柴油发电机给 UPS 供电时,在柴油发电机和 UPS 的系统接口处会出现低频振荡现象。
一、数据中心供电系统及其可用性
数据中心供电系统是数据中心基础设施中最重要的子系统,所有的 IT设备以及基础设施中的制冷、管理、安全等子系统都在供电系统的支持下运行。保证连续不间断的电力供应已经成为现代数据中心供电系统必不可少的功能,目前的数据中心供电系统如图 1-1 所示,其主要构成如下:

(1)备用电源 为了保证数据中心供电可靠,在重要的数据中心都设置了双电网供电系统,其中一路市电正常时由其给负载供电,另一路市电作为交流备用电源。此外发电机组也作为交流备用电源。而当两路市电和发电机全部停止供电时,蓄电池也可作为直流电源给负载供电。
(2)电源转换设备 供电系统中的电源转换设备包含自动转换开关、UPS不间断电源以及静态旁路开关。
(3)配电设备 供电系统中的配电设备主要包括交流输入配电、UPS输入配电、负载机架排配电(列头柜)以及机架配电等。无论是对政府部门、教育机构、还是企业,数据中心供电系统的可靠稳定运行都非常重要,数据中心供电系统故障会造成数据中心的服务器,交换机等设备断电,进而引起企业数据中心信息资料的丢失和数据业务的中断并带来重大的经济损失。
二、当前柴油发电机和 UPS 配合运行时存在的问题
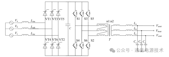
当市电因意外情况中断供电时,UPS 会自动切换到电池模式即UPS整流器停止工作,UPS 逆变器把蓄电池储存的直流电能转换为交流电源输出给 IT 负载。与此同时,柴油发电机开始启动,在柴油发电机顺利启动之后,即可将 UPS 接入到发电机输出回路,由柴油发电机给 UPS 供电,如图 2-1所示为柴油发电机给 UPS 供电的结构图。

图2-1 柴油发电机给UPS供电结构图
然而,在将 UPS 接入时,柴油发电机和 UPS 之间却存在如下问题:
(1)柴油发电机的输出电压波形也即 UPS 的输入电压波形畸变严重,UPS 整流器无法正常工作,发电机绕组出现剧烈发热现象。
(2)当 UPS 以轻载状态接入发电机时,柴油发电机电压突然升高,并最终导致系统因过压保护和欠励磁保护而停机。
(3)在 UPS 输出侧所接负载不变的情况下,UPS 的输入电压、输入电流及母线电压均出现振荡。(本次不做介绍)
三、UPS 容性特性对兼容性的影响及解决方法
在数据中心供电系统中,经常会出现市电给 UPS 供电时,UPS 能够正常工作,而当市电断开并由柴油发电机给 UPS 供电时,柴油发电机和 UPS 均出现工作异常的情况。如柴油发电机输出电压突然升高,励磁丢失,进而引起系统因过压保护和欠励磁保护而停机;并最终导致数据中心停电宕机事故。
必须采取有效的措施,避免柴油发电机出现容性功率过载现象。为此,在数据中心柴油发电机 UPS 容量配比设计时必须考虑 UPS 的容性特性。为避免柴油发电机带容性负载时出现过载,本文提出 2 种方法:
(1)合理设计柴油发电机与 UPS 之间的容量配比关系
带滤波器的工频 UPS 在空载时容性无功**,随着负载率的上升,输入容性无功逐渐减小。高频 UPS 随着带载率的上升,输入容性无功功率变化不大。在有功功率为零时,柴油发电机能够输出的容性无功功率的**值为S 。设工频 UPS的在空载时的容性无功功率为 Q 1 ,高频 UPS **的容性无功功率为 Q 2 ,则在设计柴油发电机和 UPS 容量配比时,必须分别满足条件:
Q1<S Q2<S
(2)改变供电系统架构
柴油发电机带感性负载的能力要明显强于带容性负载的能力。有鉴于此,在进行数据中心供电系统设计时,应该创造必要的应用条件,让柴油发电机后端所接负载的总输入功率因数值处于柴油发电机的感性工作区内,尽可能地避免或者减少使得它的后端所接负载的总输入功率因数处于容性工作区的几率,这样的设计策略也可以解决由 UPS 容性而导致的系统不兼容问题。
在各方面条件允许的情况下,应该改变柴油发电机只给 UPS供电的供电系统架构,而应该采用让柴油发电机给数据中心的一些感性负载如空调、风机等一起供电的方式。从而使得柴油发电机后端所接负载的总输入功率特性曲线进入柴油发电机的感性工作区,其原理如图3-1所示。

3-1供电系统架构改变负载输入功率特性原理图


四、谐波畸变对兼容性的影响及解决方法
谐波畸变是影响数据中心供电系统中柴油发电机和 UPS 兼容性的重要原因,当供电系统中的 UPS 谐波电流过大时,经常会引起柴油发电机-UPS系统工作异常,导致柴油发电机输出电压发生畸变,电枢绕组发热严重,以及 UPS 整流器异常关机等故障。
(一)工频 UPS 输入电流谐波特性分析
如图 4-1 所示为典型的工频 6 脉冲 UPS 的主电路拓扑图,其主要由输入整流电路、输出逆变电路、输出滤波电路所组成。在整个系统结构中,前端的三相全桥晶闸管整流装置,中间的高频逆变装置,以及后端的输出变压器均可以引起系统中谐波电流畸变。但在整个系统中,由前端晶闸管整流器所引起的谐波畸变远高于后者,所以通常认为,由前者产生谐波电流是引起工频 UPS 输入电流谐波畸变的最主要的原因。

图 4-1 工频六脉冲 UPS 主电路拓扑图
由于晶闸管属于半控器件,即只能控制其开通,不能控制其关断,故采用晶闸管整流器的工频 UPS 只能对母线电压进行控制,而不能对输入电流进行调节,因此导致了工频晶闸管整流电路输入电流存在较高的谐波电流成分。
工频十二脉冲 UPS 原理与工频六脉冲 UPS 相同,只不过其整流器由两个六脉冲工频晶闸管整流器并联工作,构成了十二脉冲整流器,且在整流器前端增加了三相三绕组变压器。
(二)高频 UPS 输入电流谐波特性分析
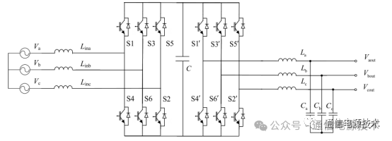
对于高频 UPS 而言,其输入整流器通常为三相 Boost 型 PWM 整流器。如图 4-2 所示为高频 UPS 主电路结构,由于三相 PWM 整流器采用基于 dq旋转坐标系的矢量控策略,即把三相 PWM 整流器的交流输入电流分解为直轴电流 i d 和交轴电流 i q 分别进行控制,并且通常控制交轴电流 i q 为 0,以实现输入电流能够完全跟踪输入电压,并获得较高的功率因数。从而使得三相PWM 整流器输入电流通常比较平滑,输入电流波形接近正弦波,输入电流谐波含量较低 。因此,采用三相 PWM 整流器的高频 UPS 输入电流波形质量通常较好,当其接入柴油发电机输出回路,由柴油发电机供电时,其输入电流谐波畸变对柴油发电机输出电压波形畸变的影响较小。

图 4-2 高频 UPS 主电路拓扑图
为避免因 UPS 谐波电流畸变而导致的柴油发电机-UPS 系统不能正常工作,在设计柴油发电机机和 UPS 的容量配比关系时必须考虑 UPS 的谐波电流畸变因素,才能保证柴油发电机 UPS 系统之间的兼容性。对于 UPS 来说,采用不同拓扑结构,其输入谐波电流含量各不相同,如表 4-3 所示,且通常存在如下关系:6 脉冲整流(不带滤波器)>12 脉冲整流(不带滤波器)>6 脉冲整流(带滤波器)>12 脉冲整流(带滤波器)≈高频整流。
表 4-3 不同拓扑结构 UPS 满载时输入谐波电流畸变率典型值


(3)UPS与发电机的容量搭配(经验表)

因为柴油发电机的内阻抗要比电网的阻抗大很多,因此当柴油发电机给 UPS 供电时,系统中的谐波电流畸变叠加在发电机输出阻抗上而引起柴油发电机输出电压产生较大的谐波畸变,从而影响 UPS 整流器和发电机 AVR 的正常工作。所以,谐波电流畸变也应该是设计容量配比时需要考虑到因素,必须保证在此容量配比下柴油发电机输出电压畸变不超过柴油发电机-UPS 系统正常工作允许的** THDU 值,柴油发电机容量才能满足要求。
综上所述,通过对数据中心供电系统中柴油发电机与 UPS 兼容性问题的讨论,本文得出了数据中心油机-UPS 容量配比选型的依据。
转载请注明出处,违者必究,文章图片或文字部分来自网络,仅用于公益传播。如有侵权,请留言联系删除。